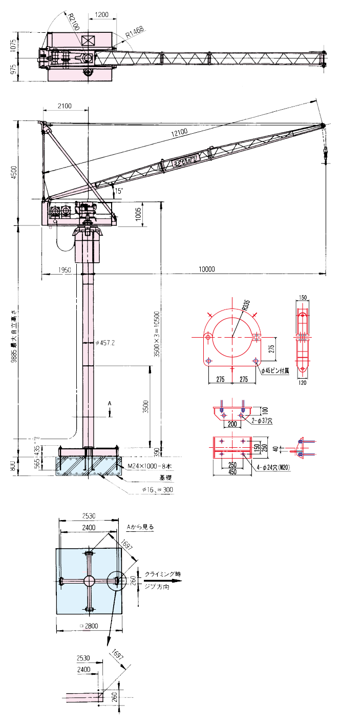
JCL 008C 寸法図 仕様 定格荷重線図 印刷用PDF 強風対策 寸法図 拡大表示(別タブが開きます) 機種名 定格荷重×作業半径 最大揚程 最大自立高 JCL 008C 0.8t × 10m 65m 9.9m 仕様 定格荷重線図 印刷用PDF 製品PDFダウンロード 強風対策 強風対策PDFダウンロード お問い合わせはこちら株式会社昭和は、高層建築物や大型現場には欠かせないタワークレーン、ジブクレーン、工事用エレベーター、工事用リフトのレンタル会社です。建設機械のエキスパートとして培ってきた50年の経験とノウハウを活かし、お客様に最適なソリューションをご提供いたします。お問い合わせはこちら