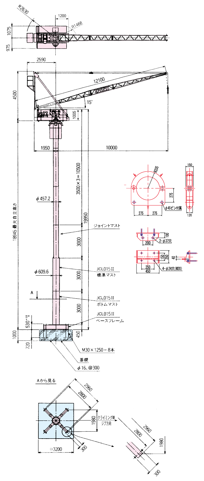
JCL 010Ⅱ(高自立)
寸法図
拡大表示(別タブが開きます)
| 機種名 | 定格荷重×作業半径 | 最大揚程 | 最大自立高 |
|---|---|---|---|
|
JCL 010Ⅱ(高自立)
|
1.0t × 15m | 63m | 14.3m |
仕様
定格荷重線図
印刷用PDF
強風対策
お問い合わせはこちら
株式会社昭和は、高層建築物や大型現場には欠かせないタワークレーン、ジブクレーン、工事用エレベーター、工事用リフトのレンタル会社です。建設機械のエキスパートとして培ってきた50年の経験とノウハウを活かし、お客様に最適なソリューションをご提供いたします。

